
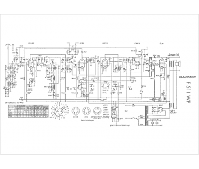
Marque :
Blaupunkt
Modèle :
F 511 WP
Type appareil :
récepteur à tubes
Pays d'origine :
Allemagne
