
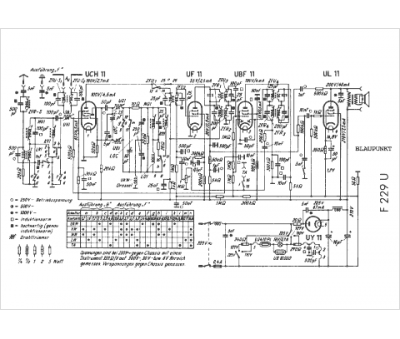
Marque :
Blaupunkt
Modèle :
F 229 U
Type appareil :
récepteur à tubes
Pays d'origine :
Allemagne
