Marque :
Blaupunkt
Modèle :
Bremen
Type appareil :
auto-radio à tubes
Année :
1959
Pays d'origine :
Allemagne
Dim L x H x P :
183x82x168
Poids :
4300
Cadran :
horizontal à aiguille verticale
Boutons :
2
Clavier :
2 touches
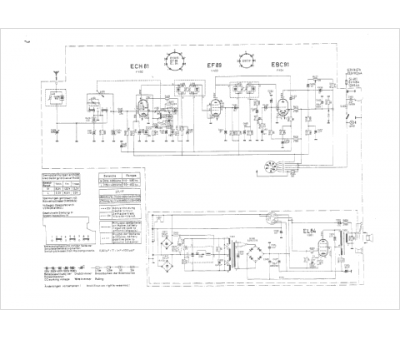
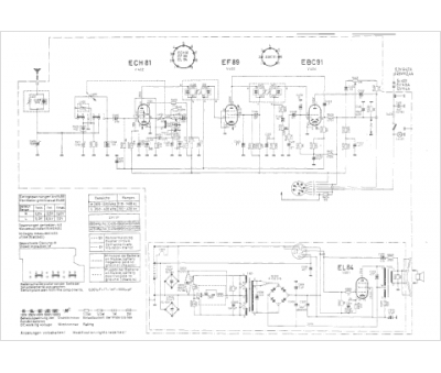
Tubes :
ECH81, EF89, EBC91, EL84
Moyenne fréquence :
460 kHz (ou 473 kHz si marqué spécialement)
Gammes d'ondes :
PO (183 à 578 m)
GO (1016 à 2000 m)
GO (1016 à 2000 m)
Alimentation :
batterie 6 V 12 V positif ou négatif à la masse

