
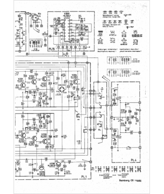
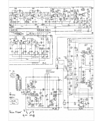
Marque :
Blaupunkt
Modèle :
Bamberg
Type appareil :
auto-radio à transistors
Pays d'origine :
Allemagne
