
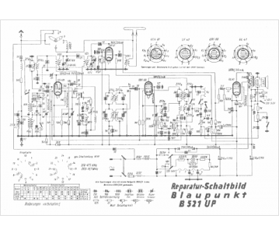
Marque :
Blaupunkt
Modèle :
B 521 UP Romanze
Type appareil :
récepteur à tubes
Pays d'origine :
Allemagne
