
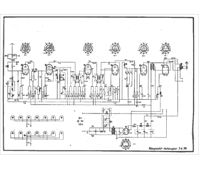
Marque :
Blaupunkt
Modèle :
Auto-super 7 a 79
Type appareil :
récepteur à tubes
Pays d'origine :
Allemagne
