
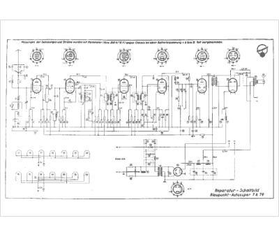
Marque :
Blaupunkt
Modèle :
7 A 79
Type appareil :
auto-radio à tubes
Pays d'origine :
Allemagne
