
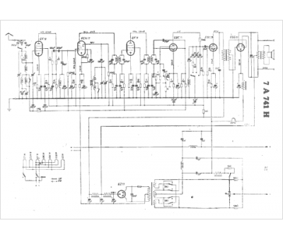
Marque :
Blaupunkt
Modèle :
7 A 741 H
Type appareil :
récepteur à tubes
Pays d'origine :
Allemagne
