
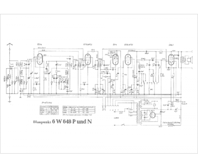
Marque :
Blaupunkt
Modèle :
6 W 648 P
Type appareil :
récepteur à tubes
Pays d'origine :
Allemagne
