
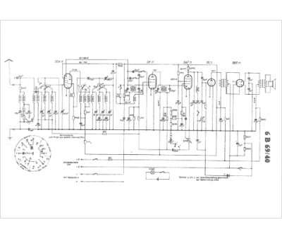
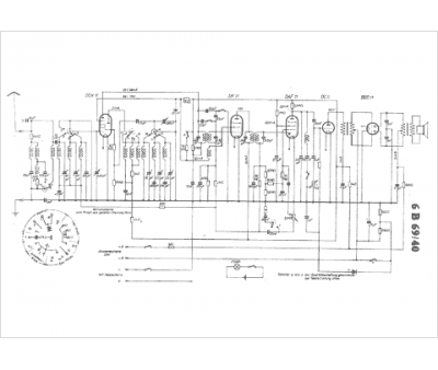
Marque :
Blaupunkt
Modèle :
6 B 69-40
Type appareil :
récepteur à tubes
Pays d'origine :
Allemagne
