
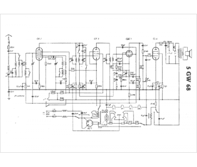
Marque :
Blaupunkt
Modèle :
5GW 68
Type appareil :
récepteur à tubes
Pays d'origine :
Allemagne
