
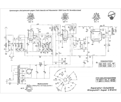
Marque :
Blaupunkt
Modèle :
5 W 69 K
Type appareil :
récepteur à tubes
Pays d'origine :
Allemagne
