
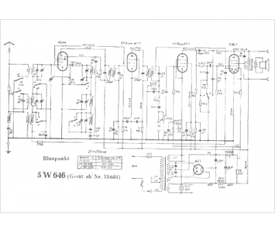
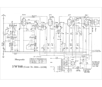
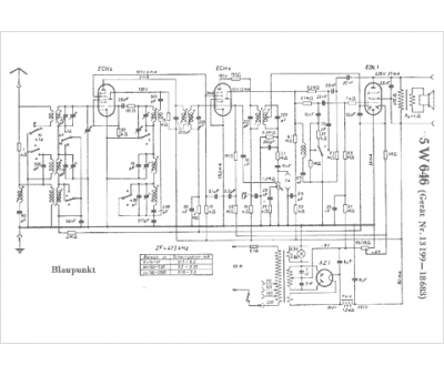
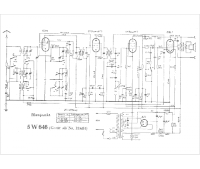
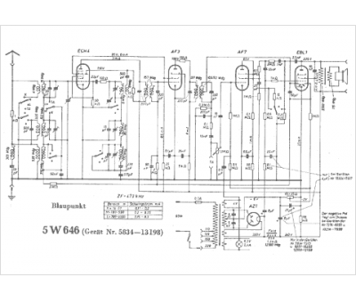
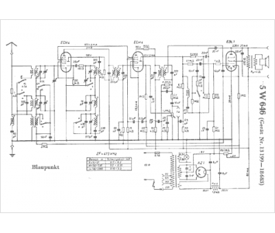
Marque :
Blaupunkt
Modèle :
5 W 646
Type appareil :
récepteur à tubes
Pays d'origine :
Allemagne
