
Marque :
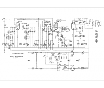
Blaupunkt
Modèle :
5 GW 69
Type appareil :
récepteur à tubes
Pays d'origine :
Allemagne
