
Marque :
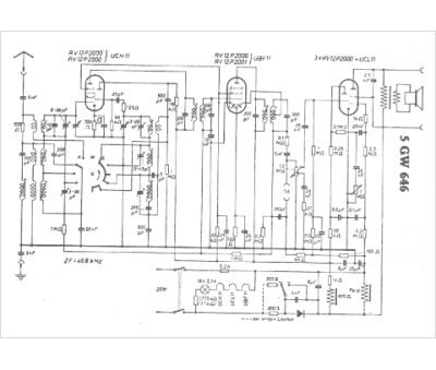
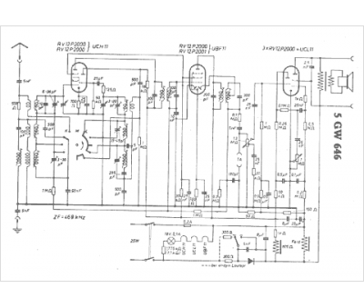
Blaupunkt
Modèle :
5 GW 646
Type appareil :
récepteur à tubes
Pays d'origine :
Allemagne
