
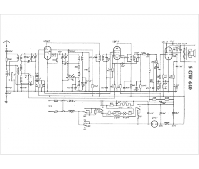
Marque :
Blaupunkt
Modèle :
5 GW 640
Type appareil :
récepteur à tubes
Pays d'origine :
Allemagne
