
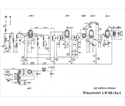
Marque :
Blaupunkt
Modèle :
4W 66 AL 4
Type appareil :
récepteur à tubes
Année :
1936
Pays d'origine :
Allemagne
