
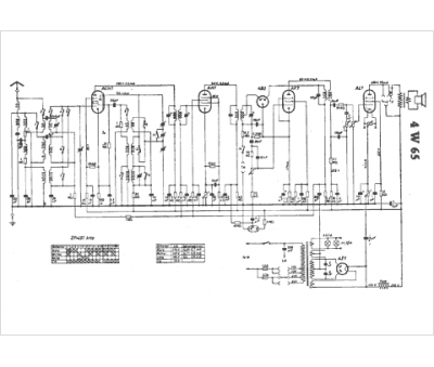
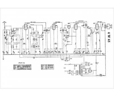
Marque :
Blaupunkt
Modèle :
4W 65
Type appareil :
récepteur à tubes
Année :
1935
Pays d'origine :
Allemagne
