
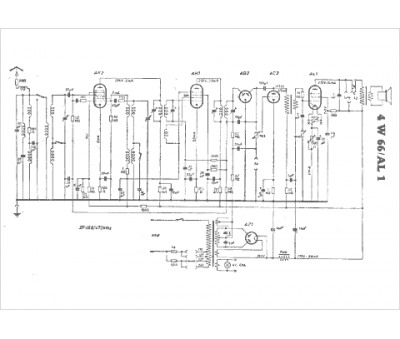
Marque :
Blaupunkt
Modèle :
4 W 66(AL1)
Type appareil :
récepteur à tubes
Pays d'origine :
Allemagne
