
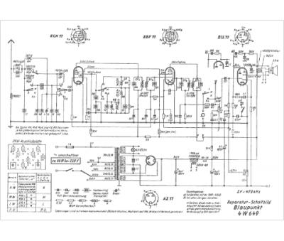
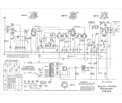
Marque :
Blaupunkt
Modèle :
4 W 649
Type appareil :
récepteur à tubes
Pays d'origine :
Allemagne
