
Marque :
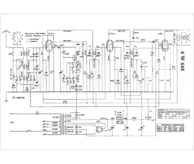
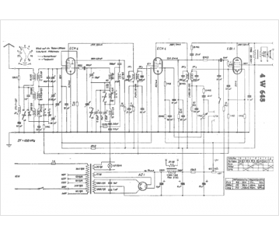
Blaupunkt
Modèle :
4 W 648
Type appareil :
récepteur à tubes
Pays d'origine :
Allemagne
