
Marque :
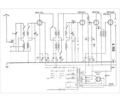
Blaupunkt
Modèle :
4 NS
Type appareil :
récepteur à tubes
Pays d'origine :
Allemagne
