
Marque :
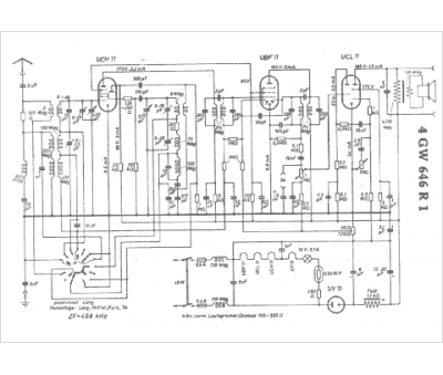
Blaupunkt
Modèle :
4 GW 646 R1
Type appareil :
récepteur à tubes
Pays d'origine :
Allemagne
