
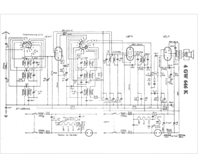
Marque :
Blaupunkt
Modèle :
4 GW 646 K
Type appareil :
récepteur à tubes
Pays d'origine :
Allemagne
