
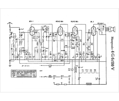
Marque :
Blaupunkt
Modèle :
4 G 6 110 V
Type appareil :
Récepteur 110 V
Pays d'origine :
Allemagne
