
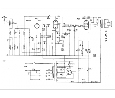
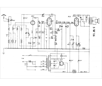
Marque :
Blaupunkt
Modèle :
3W 16
Type appareil :
récepteur à tubes
Pays d'origine :
Allemagne
