
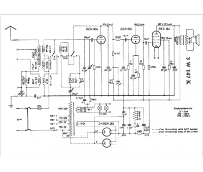
Marque :
Blaupunkt
Modèle :
3 W 147 K
Type appareil :
récepteur à tubes
Pays d'origine :
Allemagne
