
Marque :
Blaupunkt
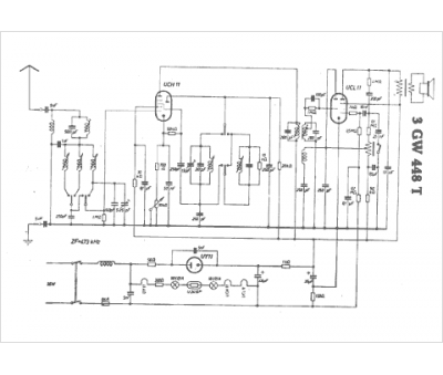
Modèle :
3 GW 448 T
Type appareil :
récepteur à tubes
Pays d'origine :
Allemagne
