
Marque :
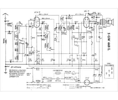
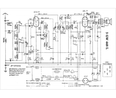
Blaupunkt
Modèle :
3 GW 448 L
Type appareil :
récepteur à tubes
Pays d'origine :
Allemagne
