
Marque :
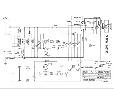
Blaupunkt
Modèle :
3 GW 147 K
Type appareil :
récepteur à tubes
Pays d'origine :
Allemagne
