
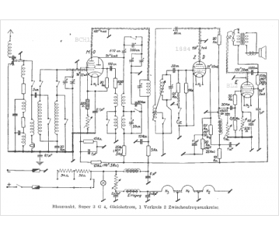
Marque :
Blaupunkt
Modèle :
3 G 4
Type appareil :
récepteur à tubes
Pays d'origine :
Allemagne
