
Marque :
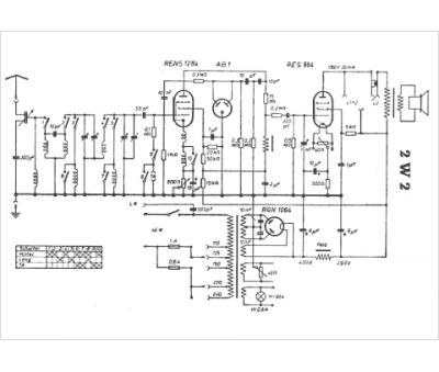
Blaupunkt
Modèle :
2 W 2
Type appareil :
récepteur à tubes
Pays d'origine :
Allemagne
