
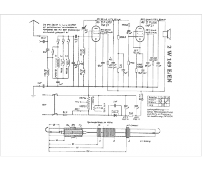
Marque :
Blaupunkt
Modèle :
2 W 149EN
Type appareil :
récepteur à tubes
Pays d'origine :
Allemagne
