
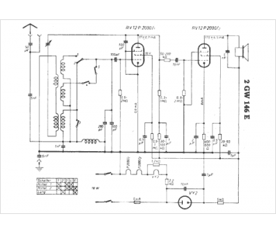
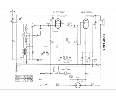
Marque :
Blaupunkt
Modèle :
2 GW 146E
Type appareil :
récepteur à tubes
Pays d'origine :
Allemagne
