
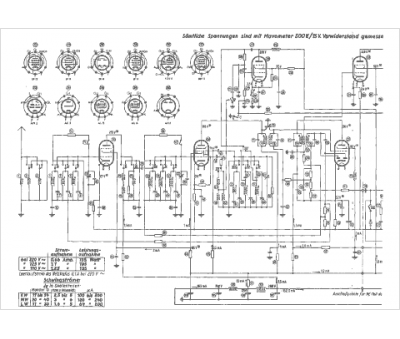
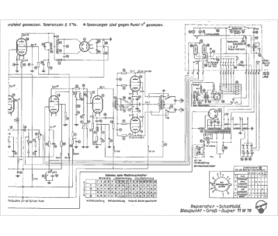
Marque :
Blaupunkt
Modèle :
11 W79
Type appareil :
récepteur à tubes
Pays d'origine :
Allemagne
