
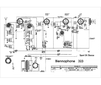
Marque :
Biennophone
Modèle :
323
Type appareil :
récepteur à tubes
Pays d'origine :
Suisse
