
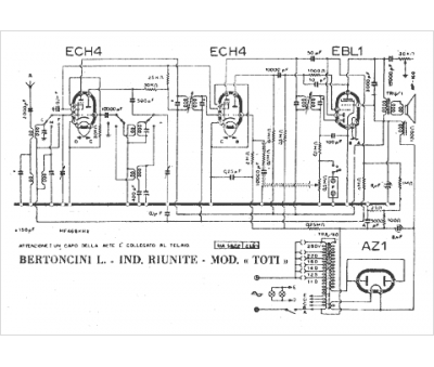
Marque :
Bertoncini
Modèle :
Toti
Type appareil :
récepteur à tubes
Pays d'origine :
Italie
