
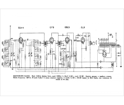
Marque :
Bertoncini
Modèle :
M 108
Type appareil :
récepteur à tubes
Pays d'origine :
Italie
