
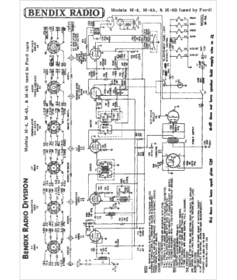
Marque :
Bendix
Modèle :
M-4A
Type appareil :
récepteur à tubes
Année :
1954
Pays d'origine :
États-Unis
