
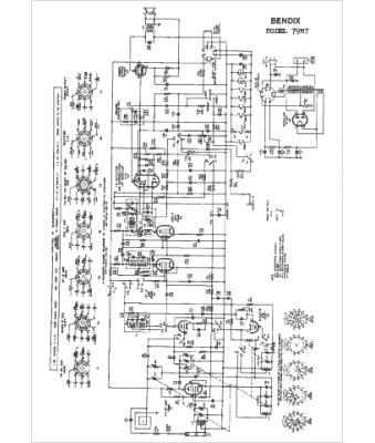
Marque :
Bendix
Modèle :
79M7
Type appareil :
récepteur à tubes
Année :
1950
Pays d'origine :
États-Unis
