
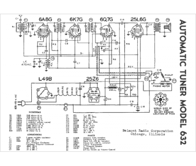
Marque :
Belmont
Modèle :
632
Type appareil :
récepteur à tubes
Année :
1939
Pays d'origine :
Grande-Bretagne, Italie, États-Unis
