
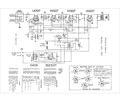
Marque :
Belmont
Modèle :
507
Type appareil :
récepteur à tubes
Année :
1940
Pays d'origine :
Grande-Bretagne, Italie, États-Unis
