
Marque :
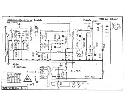
Bell
Modèle :
Super Bell 3 alt.
Type appareil :
récepteur à tubes
Année :
1934
Pays d'origine :
Suisse
