
Marque :
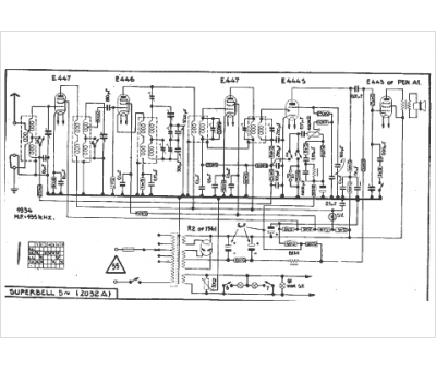
Bell
Modèle :
Super Bell 2032 a
Type appareil :
récepteur à tubes
Année :
1934
Pays d'origine :
Suisse
