
Marque :
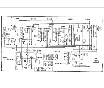
Bell
Modèle :
Super Bell 2030 a
Type appareil :
récepteur à tubes
Année :
1933
Pays d'origine :
Suisse
