
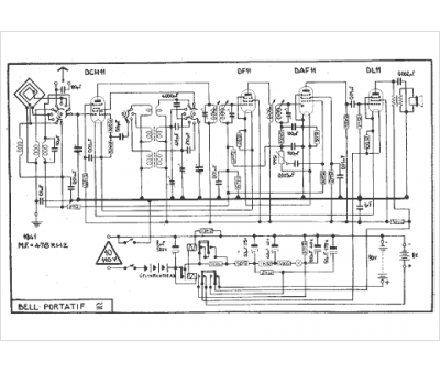
Marque :
Bell
Modèle :
Portatif 110 v
Type appareil :
récepteur à tubes
Année :
1941
Pays d'origine :
Suisse
