
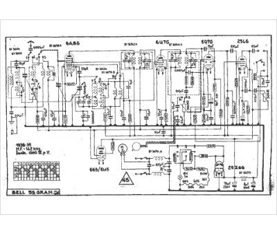
Marque :
Bell
Modèle :
59 gram tc
Type appareil :
récepteur à tubes
Année :
1938
Pays d'origine :
Suisse
