
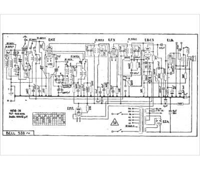
Marque :
Bell
Modèle :
539 alt. (lampes e)
Type appareil :
récepteur à tubes
Année :
1938
Pays d'origine :
Suisse
