
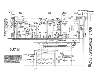
Marque :
Bell
Modèle :
537 U
Type appareil :
récepteur à tubes
Pays d'origine :
Suisse
