
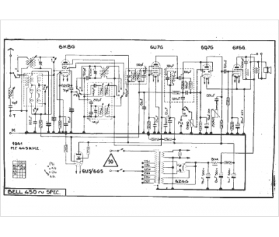
Marque :
Bell
Modèle :
450 alt. spécial
Type appareil :
récepteur à tubes
Année :
1940
Pays d'origine :
Suisse
